












ชื่อแบบบ้าน : แบบบ้านตัวอย่าง24 (รหัส DP101)
ลักษณะตัวบ้าน : แบบบ้านชั้นเดียว, แบบบ้านเดี่ยวตึกชั้นเดียว
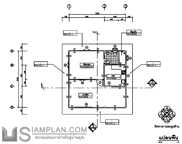
องค์ประกอบของบ้าน : 1 ห้องนอน 1 ห้องน้ำ ระเบียง ครัว
พื้นที่ใช้ซอย : 64 ตารางเมตร
ขนาดที่ดินที่เหมาะสมกับแบบบ้าน : กว้าง x ยาว ไม่ควรน้อยกว่า 12.00 x 12.00 เมตร
ราคาประมาณการก่อสร้าง : 544,000 - 704,000 บาท (หากมีการเปลี่ยนแปลงทางทีมงานขอสงวนสิทธิ์ที่จะไม่แจ้งให้ทราบล่วงหน้า)
องค์ประกอบของตัวบ้าน :
- ห้องนอน (ขนาด 4.00 x 5.00 เมตร)
- ห้องน้ำ (ขนาด 2.00 x 3.00 เมตร)
- ระเบียง (ขนาด 3.00 x 8.00 เมตร)
- ครัว (ขนาด 3.00 x 3.00 เมตร)
วัสดุและอุปกรณ์ตกแต่งหลักของตัวบ้าน :
- หลังคามุงเมทัลชีท บุฉนวนโฟม PU
- ห้องนอน, ห้องรับแขก และครัว ปูพื้นด้วยกระเบื้องเคลือบ ขนาด 40 x 40 cm.
- พื้นห้องน้ำ ปูพื้นด้วยกระเบื้องเคลือบ ขนาด 8" x 8" ผิวด้าน สีเรียบ
- ลานซักล้าง เป็นพื้นคอนกรีตขัดมัน
- ผนังห้องโดยรวม เป็นผนังก่อคอนกรีตบล็อก ผิวฉาบปูนเรียบ เซาะร่องสำหรับเสาโชว์ ภายในทาสีน้ำอะคริลิคภายใน ภายนอกทาสีน้ำอะครีลิคภายนอก
- ผนังห้องน้ำและห้องครัว เป็นผนังก่อคอนกรีตบล็อก ผิวกุกระเบื้องเคลือบขนาด 20 X 30 cm. ผิวมัน ปูสูง 1.80 m.
- ฝ้าเพดานห้องโดยรวม ใช้ยิบซั่มบอร์ด หนา 9 มม. ฉาบรอยต่อเรียบ ทาสีน้ำอะครีลิค โครงเคร่าเหล็กซุบสังกะสี
- ฝ้าเพดานห้องน้ำ และห้องครัว ใช้ยิบซั่มบอร์ด หนา 9 มม. ชนิดทนความชื้น ฉาบรอยต่อเรียบ ทาสีน้ำอะครีลิค โครงเคร่าเหล็กซุบสังกะสี
- ฝ้าเพดานภายนอก ใช้ฝ้าตราช้าง สมาร์ทบอร์ด ความหนา 4 mm. ฉาบรอยต่อเรียบ ทาสีน้ำอะครีลิค โครงเคร่าเหล็กซุบสังกะสีซีลายน์ เบอร์24
ลักษณะโครงสร้างของตัวอาคาร :
- ฐานราก ทำได้ทั้ง ฐานแผ่ เสาเข็มกลุ่ม เสาเข็มตอก และเสาเข็มเจาะ ขึ้นอยู่กับคุณภาพของชั้นดิน
- ฐานราก ตอม่อ เสา คานคอดิน และคาน เป็นคอนกรีตเสริมเหล็ก
- พื้นห้องโดยรวม เป็นพื้นคอนกรีตสำเร็จรูป
- พื้นห้องน้ำทั้งหมด และพื้นระเบียงบ้านทั้งหมด เป็นพื้นคอนกรีตเสริมเหล็กเทในที่ (SLAB ON BEAM)
- พื้นลานซักล้าง และพื้นลานเอนกประสงค์ เป็นพื้นคอนกรีตเสริมเหล็กวางบนดิน (SLAB ON GROUND)
- โครงหลังคา ใช้เหล็กรูปพรรณ